一台JBLSUB140有源音响(低音炮),开机后指示灯亮,约2s后有继电器吸合声,但无声。

本机功放部分采用分立元件组成OCL输出电路(输出端没有隔直流电解电容),其特点是在信号传输通道中没有耦合电容,低频效果较好,特别适合低音炮功放,但供电须采用正负供电。由于采用直流耦合方式,当电路出现故障时,功放输出端易出现直流电压,有烧坏喇叭的危险。所以需设置喇叭保护电路,当喇叭两端出现较高的直流电压时,保护电路动作,断开输出,以保护喇叭。
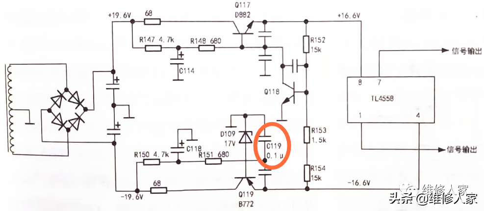
本机在开机时有继电器吸合声,说明功放输出端正常,正负供电也是正常,故障部位应在前级。实测正负供电都是19.6V,确实正常。在该机的前级信号处理电路中,有一块运放TL4558,这应该是输入端小信号放大电路。该运放的⑧脚和④脚分别是正负供电端。测⑧脚电压为1.5V,但④脚电压为0V,明显异常。顺着线路向前查,发现④、⑧脚分别外接中功率三极管Q119、Q117,如下图所示。

Q117、Q119及其外围元件分别组成正、负电压有源滤波及稳压电路。Q118是正负输出电压检测管,R152对正输出电压取样,R154对负输出电压取样。由于负取样回路比正取样回路多了电阻R153,所以Q118的基极有一个较小的正偏压(实测值为0.58V),即Q118处于一个微导通状态,对Q117的基极有一个较小的分流作用。当负载变化引起Q117输出的正电压升高时,通过R152使Q118的基极电压上升,Q118的导通程度增加,c-e结间阻值变小,Q117的基极电压下降,输出电压减小,从而起到稳压作用。当正输出电压下降时,其稳压过程与上述相反。
负输出电压主要由D109来稳压。另外,当输出的负电压绝对值减小时,由于R154、R153的取样作用,Q118的b极电位上升,c-e结间阻值变小,使Q117b极电压降低。即让正电压也同步下降,使正负电压的绝对值始终保持一致。因为在OCL电路中,若正负供电电压不平衡,将直接影响输出端的零电平,所以本机设置了以Q118为中心的取样稳压电路。
实测发现,Q117和Q119的c极电压分别为+19.7V和-19.7V,都正常。但Q117的b极电压仅为2V,由此引起输出的正电压只有1.5V。测Q118的b极电压已升到0.63V。Q118已处于强导通状态,引起Q117b极电压大幅下降。仔细检查负电压稳压电路,发现电容C119漏电,阻值约为1kΩ左右,引起Q119处于截止状态。更换C119后试机,故障排除。
在故障未排除前,供给TL4558的正负电压不正常,为何保护继电器仍能吸合呢?这是因为TL4558供电电压过低,运放不工作,其输出端为零电位,功放的输出端也是零电位,所以继电器仍能正常吸合。在检修中,曾怀疑Q118或外围电容有问题,拆下Q118后开机,这时正电压输出基本正常,但功放输出端出现了18V直流电压,且继电器不吸合。