
实施方类别:影音设计师
案例类别:全宅智能
位置及周边概括性描述:佛山顺德龙江桂花邨
资金投入:45万元,包括空中影院25万元和全宅智能20万元,不包含软装
空间信息:48㎡,长7.6m×宽6.31m(空中影院)
用户使用需求:提供沉浸式全景声影院服务功能,对声场进行驻波分析,对产品进行专业化调试,对整体空间装修做专业影院级别的声学装修指导。

设计师:梁仟雨
投身影音智能行业5年,热衷分享/传递电影文化,经手打造高端影音案例100+。在智能家居、私人别墅影音、全宅背景音乐、安防监控系统设计方面,均有扎实稳固的工作经验。
工程监理:陈国豪
设计/施工公司:佛山赛宾科技有限公司
器材列表杜比全景声影院
主音箱:DALIOpticon8×2
中置音箱:DALIOpticon8
环绕音箱:DALIPhantomH-60×4
全景声音箱:DALIPhantomE-60×2
超低音音箱:SVSPC4000
AV功放(前级):MarantzSR8805
AV功放(后级):Extra-TerresialET-G073×2
投影机:Epson(爱普生)CH-TW9400
投影幕:ISKscreen180英寸高增益4K透声幕
全宅智能家居
全宅灯光控制+电动窗帘控制+集中控制
客厅影院SIM2三色激光电视
户外安防系统
户外监控系统
全宅无线覆盖系统
(影音室)Control4智能系统
全宅背景音乐系统
影音构建过程,声学/光学处理、智能应用及特别设计阳光房做成影音室(空中影院),有利有弊。
优点:空间有效利用率高,功能性强、冬暖夏凉,扩大了居家的使用面积,因地制宜。
缺点:采光率高、需要做专业的光学处理,才能达到最佳观影效果,处于楼顶,如果不做声学处理会影响到楼下的家人。

详细的牵引样图

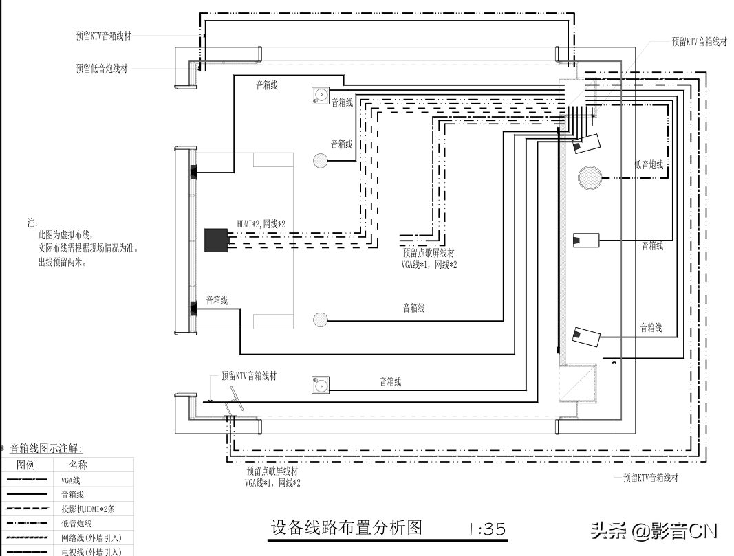
设备线路的安装设计

强电布置细节设计

平面设备布置设计
首先对落地推拉玻璃窗构造的阳光房做光学/声学处理,选择厚重玻璃,可起到一定的隔音效果。选择双层丝绒材质垂厚落地窗帘,可有效遮挡楼顶的高强光,最后在地面铺设艺术图案的厚地毯。双层的落地窗帘和地毯,都能帮忙空间声场起到吸音的效果,还能作为装修风格的加分项。

安装双层的丝绒材质垂厚落地窗帘
其次就是对声场做定制化的声学装修指导。
方案选择了DALI(达尼),所以前方主声道(3只)音箱都是Opticon8落地箱,高1.14m。按照传统的外摆落地,极大程度上不能满足业主的审美观,所以设计师按照最佳离墙摆放距离(30~150cm),在播放厅前方量身定制声学装修的设备间,再根据专业测量得到的音箱定位,使设备整齐有序的陈列进设备间。最后安装上180英寸超大高增益4K透声幕,使设备完美隐藏起来,既能有效保护好设备免除磕碰,又能使整体阳光房影音室美观大方,一举两得。

打整体的木框架

构建中的设备间

构建完成的阳光房影院
主音箱Opticon8高音剔透、中频饱满温暖、低频非常有弹性,且音箱整体的配合性较好。因为是阳光房,天花及空间四周墙身都是玻璃构建,设计师选择了DALIPhantom入墙式H-60全频音箱,超薄尺寸设计、可变性安装方式,全面满足业主对于尺寸和性能的要求。


全景声音箱来自DALI的PhantomE-60系列,因天花顶全是玻璃框架,音箱没法正常安装。设计师专门根据音箱尺寸大小,定制设计了一款吊装木箱架。表面刷漆让木箱架与空间装修风格统一,使PhantomE-60可以嵌入架子,与空间融为一体。

阳光房格局很好,拥有良好的空间尺寸,为了达到舒适的观影体验,在保证合理观影角度的基础上,为业主制定180英寸的超大高增益超高清4K透声幕。
设计与调试心得智能家居:全宅监控系统

别墅户外监控系统主要是对别墅周界进行提前预知监控,方便业主及时防控。选用网络高清摄像枪8支,布控在别墅一楼周界的四个角位,每个角位2支,从摄像到图像显示和记录构成独立完整的系统,能实时、形象、真实地反映被监控对象,并可在恶劣的环境下代替人工进行长时间监视。配合使用智能家居模块,无论是在家或不在家,都能有效实时进行监控,让业主在家更加安全、放心。
智能家居:调光、照明系统

在墙面安装的欧瑞博超级智能面板支持网络联网,即便出门在外,只要手机有网络,通过手机等移动设备,便可在外控制家里的灯光、空调、窗帘、电器等。用户也可在家轻唤“小欧,帮我打开用餐模式”,程序立马响应出“温馨愉快的用餐氛围”情境。

智能家居:电动窗帘系统

“小欧,帮我打开客厅窗帘”,语音指令后,家里的窗帘便立刻寻声缓缓开启,稳定且高效。业主别墅共计设置了10个区域的智能窗帘安装、分别为客厅、房间、休闲厅、影音室、书房,一键式开启/关闭家中窗帘,即使出门在外,也可查看并操作窗帘情况。
智能家居:全宅情景模式


为了让家里的老人使用方便,墙面设置了定制面板。通过人体红外感应器实现体温探测,可实现家中智能家居联动场景功能,无需连接,通电就可用,走近或点触按键,轻松满足家中老人的传统使用方式。
智能家居:空调管理系统


智能家居设计的另外一个模块“中央空调控制”深得业主好评。别墅各处采用大玻璃窗设计,尤其是顶楼的空中影院,80%由玻璃打造,造成居家温度受热快。虽然别墅望江,空气流通好,但业主家在广东这样的地区,常年闷热。智能空调控制很好地解决了业主的这一困扰,业主回家前,或准备去阳光房看电影,通过手机提前开启家里所需区域的空调,让家提前凉爽,给业主一个休闲惬意的居家体验。
影音室:智能影院系统

阳光房空中影院接入Control4智能控制系统,拥有稳定、反应快的产品特点。用户采用遥控器(或移动设备),即可一键式开启影院、KTV或音乐模式,还可以一键自动开启/关闭影音室灯光、空调、窗帘、投影幕的遮帘以及其它影音设备,真正满足高效使用。
智能家居:全宅背景音乐系统

全屋智能化一站式服务,其中不可不提的就是背景音乐系统。布控一体式设计的触摸屏功放,YodarI10型号超大屏安装在客厅,YodarI5中屏安装在业主房,用户既可以使用触摸屏,也可使用其它移动电子设备控制整背景音乐系统。

背景音乐的定制,懂业主所想,无论是在饭厅、书房,还是客厅,都能享受来自四面八方富有包围感的音乐体验乐趣,让业主真正享受温馨舒适安全的生活环境。
智能家居:全宅无线网络系统

智能家居模块:无线网络整屋覆盖,已实现5G网络速度,无死角,解决上网慢,网络信号不稳定等困扰。
整体风格与效果

此影音室遵循定制安装的理念,全玻璃打造的阳光房,打开窗帘,沐浴阳光,关上窗帘,享受影音室,它可以是一年四季都能享受的私人空间,也可以是充满乐趣的全家娱乐室。总之,阳光房影院新颖且独特,不只是有美丽的外表,更有内在的价值。
※致读者:影音CN所刊案例均为设计师投稿。为保障原作者权益,减少盗图纠纷,案例版面图片均已加水印处理。由此可能影响读者的阅读,特表歉意。